Please wait...
THANKU FOR BEING A PART OF OUR JOURNEY TO BRING "REVOLUTION IN EDUCATION"
We Genuinely APPRECIATE your PATIENCE

55
M: +2.00/-0.66

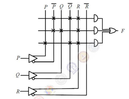
A programmable logic array (PLA) is shown in the figure.
 
The Boolean function F implemented is

[GATE EC 2017 Set 2]
A
B
C
D