Please wait...
THANKU FOR BEING A PART OF OUR JOURNEY TO BRING "REVOLUTION IN EDUCATION"
We Genuinely APPRECIATE your PATIENCE

11
M: +1.00/-0.33

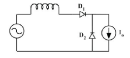
In the circuit shown, the diodes are ideal; the inductance is small, and.Which one of the following statements is true?
 

[GATE EE 2017 Set 2]
A
B
C
D