Please wait...
THANKU FOR BEING A PART OF OUR JOURNEY TO BRING "REVOLUTION IN EDUCATION"
We Genuinely APPRECIATE your PATIENCE

63
M: +2.00/-0.66

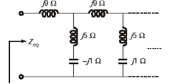
The equivalent impedance  for the infinite ladder circuit shown in the figure is
 

[GATE EE 2018]
A
B
C
D