Please wait...
THANKU FOR BEING A PART OF OUR JOURNEY TO BRING "REVOLUTION IN EDUCATION"
We Genuinely APPRECIATE your PATIENCE

46
M: +2.00/-0.00

 

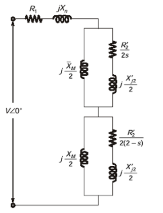
The equivalent circuit of a single-phase induction motor is shown in the figure, where the parameters are   and s is the slip. At no-load the motor speed can be approximated to be the synchronous speed. The no-load lagging power factor of the motor is ________ (upto 3 decimal places).

[GATE EE 2018]
A