Please wait...
THANKU FOR BEING A PART OF OUR JOURNEY TO BRING "REVOLUTION IN EDUCATION"
We Genuinely APPRECIATE your PATIENCE

47
M: +2.00/-0.00

 

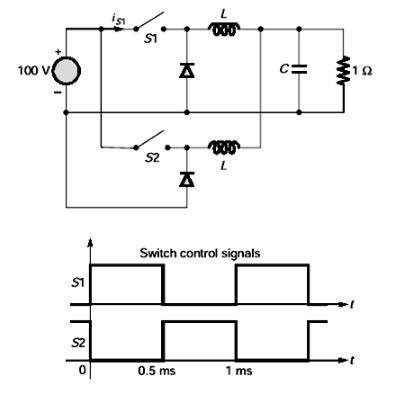
The figure shows two buck converters connected in parallel. The common input dc voltage for the converters has a value of 100 V. The converters have inductors of identical value. The load resistance is  The capacitor voltage has negligible ripple. Both converters operate in the continuous conduction mode. The switching frequency is 1 kHz, and the switch control signals are as shown. The circuit operates in the steady-state. Assuming that the converters share the load equally, the average value of  the current of switch S1 (in ampere) is ________ (upto 2 decimal places).

[GATE EE 2018]
A