Please wait...
THANKU FOR BEING A PART OF OUR JOURNEY TO BRING "REVOLUTION IN EDUCATION"
We Genuinely APPRECIATE your PATIENCE

54
M: +2.00/-0.66

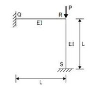
The rigid-joined plane frame QRS shown in the figure is subjected to a load P at the joint R. Let the axial deformation in the frame be neglected. If the support S undergoes a settlement of  the vertical reaction at the support S will become zero when β  is equal to

[GATE CE 2019 Set 1]
A
B
C
D